

HG-5型玻璃管液面計主要用于直接指示罐體、塔體、罐體、箱體等容器中液位的高度。儀器結構簡單,使用方便。安全鋼球安裝在儀器的上下閥門上。當玻璃意外損壞時,鋼珠會在容器內的壓力下自動密封,防止液體在容器內溢出。1. 玻璃管液位計:采用自然光實現雙色顯示,界面更加清晰,能有效消除顯示盲區。(1)液位分為普通型和保溫型。保溫式設有加熱或冷卻管路,液位計內介質流量可采用蒸汽或循環冷卻水調節,冷卻水流量不超過0.6mpa。(2)與介質接觸的液位計元件采用優質碳素結構鋼或不銹鋼制成,可滿足各種工況的需要。
用心研制,用科技造福社會


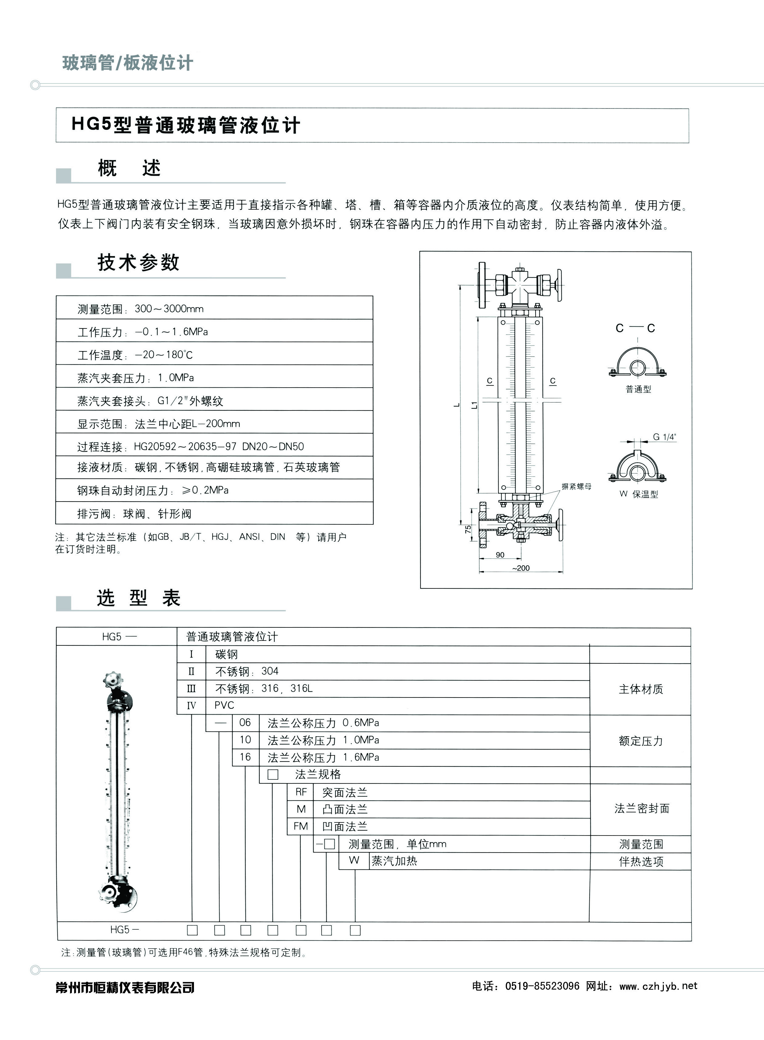
HG-5型玻璃管液面計主要用于直接指示罐體、塔體、罐體、箱體等容器中液位的高度。儀器結構簡單,使用方便。安全鋼球安裝在儀器的上下閥門上。當玻璃意外損壞時,鋼珠會在容器內的壓力下自動密封,防止液體在容器內溢出。1. 玻璃管液位計:采用自然光實現雙色顯示,界面更加清晰,能有效消除顯示盲區。(1)液位分為普通型和保溫型。保溫式設有加熱或冷卻管路,液位計內介質流量可采用蒸汽或循環冷卻水調節,冷卻水流量不超過0.6mpa。(2)與介質接觸的液位計元件采用優質碳素結構鋼或不銹鋼制成,可滿足各種工況的需要。
產品咨詢
定金支付
產品生產
出廠發貨
確認收貨
售后啟動